充电头网今日拿到了一款,据说让某老板赚了1000万的移动电源方案PCBA,听上去那么叼,我们就专门用仪器进行了详细的充放电显示测试。从记录数据来看,具有电量积分功能的移动电源,确实可以通过标定进行电量学习。标定过后的移动电源,不论电池充放电曲线如何,都可以让消费者获得非常好的使用体验。免费申请DEMO的活动还在继续,如需申请这么叼的Demo版,请点击链接:电量积分移动电源DEMO免费领取。


以下是2025澳门精准开奖结果-新澳门今晚必开一肖-澳门今晚必开一肖一特--新澳门必开一肖一特-澳门马会会传真578866-澳门马会会传真576969-澳门合彩开彩结果查询-澳门合彩开奖结果资料开奖记录LDR5208 Demo板和LDR5308 Demo板的详细介绍:
移动电源电量的精准显示,一直是困扰业界的一个难题。为此,2025澳门精准开奖结果-新澳门今晚必开一肖-澳门今晚必开一肖一特--新澳门必开一肖一特-澳门马会会传真578866-澳门马会会传真576969-澳门合彩开彩结果查询-澳门合彩开奖结果资料开奖记录推出了一系列带电量积分功能的MCU来解决这个问题,并获得市场上2000万用户的认可,让PCBA厂赚取了超过1000万的利润。2025澳门精准开奖结果-新澳门今晚必开一肖-澳门今晚必开一肖一特--新澳门必开一肖一特-澳门马会会传真578866-澳门马会会传真576969-澳门合彩开彩结果查询-澳门合彩开奖结果资料开奖记录MCU具有以下特点:
1.利用积分算法,精准电量显示;
2.外围电路简单,成本低;
3.方案配合方便,可和MOS/硬件/QC快充方案配合;
4.支持9针LCD显示;
5.支持888/88/188/188C数显方案;
6.内置库仑计,不论何种电池,无需充放电去下,都可以自动学习匹配,100%精确显示 。
移动电源电量的精准显示以LDR5308为例,无论是充电还是放电,均能准确的获取电池电量信息,如下表:

一、 2025澳门精准开奖结果-新澳门今晚必开一肖-澳门今晚必开一肖一特--新澳门必开一肖一特-澳门马会会传真578866-澳门马会会传真576969-澳门合彩开彩结果查询-澳门合彩开奖结果资料开奖记录LDR5208 Demo板


2025澳门精准开奖结果-新澳门今晚必开一肖-澳门今晚必开一肖一特--新澳门必开一肖一特-澳门马会会传真578866-澳门马会会传真576969-澳门合彩开彩结果查询-澳门合彩开奖结果资料开奖记录LDR5208 Demo板原理图

2025澳门精准开奖结果-新澳门今晚必开一肖-澳门今晚必开一肖一特--新澳门必开一肖一特-澳门马会会传真578866-澳门马会会传真576969-澳门合彩开彩结果查询-澳门合彩开奖结果资料开奖记录LDR5208 Demo板原理图

2025澳门精准开奖结果-新澳门今晚必开一肖-澳门今晚必开一肖一特--新澳门必开一肖一特-澳门马会会传真578866-澳门马会会传真576969-澳门合彩开彩结果查询-澳门合彩开奖结果资料开奖记录LDR5208 Demo板原理图

2025澳门精准开奖结果-新澳门今晚必开一肖-澳门今晚必开一肖一特--新澳门必开一肖一特-澳门马会会传真578866-澳门马会会传真576969-澳门合彩开彩结果查询-澳门合彩开奖结果资料开奖记录LDR5208 Demo板原理图

2025澳门精准开奖结果-新澳门今晚必开一肖-澳门今晚必开一肖一特--新澳门必开一肖一特-澳门马会会传真578866-澳门马会会传真576969-澳门合彩开彩结果查询-澳门合彩开奖结果资料开奖记录LDR5208 Demo板原理图

2025澳门精准开奖结果-新澳门今晚必开一肖-澳门今晚必开一肖一特--新澳门必开一肖一特-澳门马会会传真578866-澳门马会会传真576969-澳门合彩开彩结果查询-澳门合彩开奖结果资料开奖记录LDR5208 Demo板正面,由于芯片高度集成,所以板上的元件并不多。背面是一些个头比较大的部件:输入输出口、LED灯,触点开关,电感线圈等。

板子正面居中放置一块液晶显示屏,可以清楚显示电池电量和状态。

配置两个USB-A输出口和一个Micro USB输入口,一个LED小夜灯。单击触点开关可以激活电池,也可双击打开或关闭LED灯。

两个USB-A口(设远离LED灯的输出口为USB 1口)分别步进测试,步进趋势相近。5V恒压输出,最大步进电流可达2.3A。


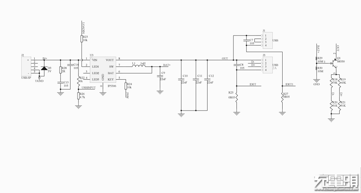
二、2025澳门精准开奖结果-新澳门今晚必开一肖-澳门今晚必开一肖一特--新澳门必开一肖一特-澳门马会会传真578866-澳门马会会传真576969-澳门合彩开彩结果查询-澳门合彩开奖结果资料开奖记录LDR5308 Demo板


2025澳门精准开奖结果-新澳门今晚必开一肖-澳门今晚必开一肖一特--新澳门必开一肖一特-澳门马会会传真578866-澳门马会会传真576969-澳门合彩开彩结果查询-澳门合彩开奖结果资料开奖记录LDR5308 Demo原理图

2025澳门精准开奖结果-新澳门今晚必开一肖-澳门今晚必开一肖一特--新澳门必开一肖一特-澳门马会会传真578866-澳门马会会传真576969-澳门合彩开彩结果查询-澳门合彩开奖结果资料开奖记录LDR5308 Demo原理图

2025澳门精准开奖结果-新澳门今晚必开一肖-澳门今晚必开一肖一特--新澳门必开一肖一特-澳门马会会传真578866-澳门马会会传真576969-澳门合彩开彩结果查询-澳门合彩开奖结果资料开奖记录LDR5308 Demo原理图

与2025澳门精准开奖结果-新澳门今晚必开一肖-澳门今晚必开一肖一特--新澳门必开一肖一特-澳门马会会传真578866-澳门马会会传真576969-澳门合彩开彩结果查询-澳门合彩开奖结果资料开奖记录LDR5208 Demo板相似,LDR5308移动电源Demo板正面也采用了大尺寸液晶显示屏设计,方便用户准确获取电池信息。

接口配置方面依然是两个USB-A口、一个Micro USB口。LED灯居中布置,Micro USB口移到了侧面。

两个USB-A口步进曲线趋势一致,测试中,USB 1口最大步进电流为2.3A,USB 2口最大步进电流为2.5A。(设靠近Micro USB一侧的输出口为USB 1口)


在兼容性方面,两个输出口的性能相近,均能对小米5、魅族系列、荣耀8等测试机型以5V2.1A模式充电。