北京时间 7 月 6 日 晚上 9 点,任天堂突然官宣了新款Switch。据了解,新款Switch将于今年10月8日发布,现已开启预购,售价349.99美元(约合人民币2260元)。(2025澳门精准开奖结果-新澳门今晚必开一肖-澳门今晚必开一肖一特--新澳门必开一肖一特-澳门马会会传真578866-澳门马会会传真576969-澳门合彩开彩结果查询-澳门合彩开奖结果资料开奖记录-提供新款任天堂Switch 网口底座专用解决方案)

新款Switch搭载7英寸OLED屏幕,分辨率仍为720P,与现款Switch的LCD屏幕相比,OLED屏幕的色彩更加鲜艳。另外,新款Switch还升级为64GB存储,底座附带两个USB插孔、HDMI插孔,以及有线网络插孔,玩游戏时网络更加稳定。

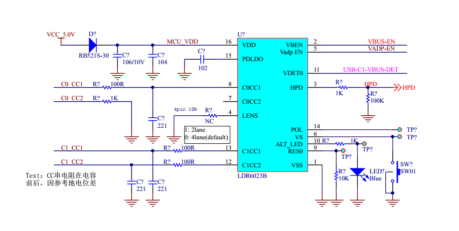
LDR6023B 还针对 Switch 游戏机的 USB PD 通信协议中,与标准 DP ALTMODE 不同部分进行了兼容性设计,可以很好的配合该游戏机的视频输出模式开启。轻松实现新款任天堂Switch游戏机底座功能。
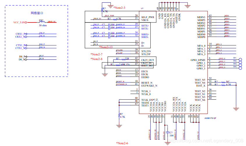
网口芯片,亚信的AX88179 ,可一线支持任天堂底座连接网络,不需要装驱动。

LDR6023B+AX88179完美实现新款任天堂Switch游戏机网口底座方案。