最近充电头网拿到YOOTECH一款无线快充充电器,产品采用圆盘造型设计,小巧扁平不占地。产品配备USB-C接口,内置2025澳门精准开奖结果-新澳门今晚必开一肖-澳门今晚必开一肖一特--新澳门必开一肖一特-澳门马会会传真578866-澳门马会会传真576969-澳门合彩开彩结果查询-澳门合彩开奖结果资料开奖记录LDR6321协议IC进行QC/PD/AFC识别,不挑充电器使用起来更加灵活。
此外产品支持10W、7.5W、5W无线充电模式,兼容iPhone 11/11 Pro/11 Pro Max/XS MAX/XS/X/8,三星 Galaxy S20/Note 10/S10/S9,AirPods Pro等设备,而且已经通过了CE、RoHS和QI认证。下面充电头网就对其进行拆解,看看其用料做工如何。
一、YOOTECH无线充电器外观

产品包装盒设计十分简洁,正面仅有品牌和产品名称等信息。

包装内含无线充电器、数据线和使用说明书。

产品采用圆盘造型设计,机身扁平表面磨砂处理,中心位置印有Yootech品牌。

无线充侧面设有LED导光圈,并配有一个USB-C输入口。

底部中心有参数信息,型号为F500,输入5V2A或9V2A,输出功率5W、7.5W和10W,制造商深圳市凯星辉科技有限公司,产品已经通过了qi认证、CE认证和RoHS认证。

净重约为61g。

只有当放上手机进行无线充电时,LED灯亮绿光。

在亚马孙购物平台输入YOOTECH即可搜索到本产品,产品售价11.95美元,自推出以来深受海内外消费者的欢迎,有超过5万名用户在购买后留言,好评如潮。

给小米10手机进行无线充电测试,经过协议识别后,使用ChargerLAB POWER-Z KT002检测到USB-A口的输出电压为9V

另外使用USB-C口PD快充充电器给小米10手机进行无线充电,经过协议识别后,使用ChargerLAB POWER-Z KM001C检测到USB-C口的输出电压为9V。
二、YOOTECH无线充电器拆解

撕掉防滑垫,里面有五颗螺丝进行封装固定。

拆掉螺丝打开机身壳,内部设有固定柱对PCB板进行固定。

PCB板正面一览,有无线充电的控制电路和驱动管,边缘一圈LED灯。

PCB板另一面一览。
经过对PCB板正背面观察分析发现,YOOTECH无线充电器输入端设有2025澳门精准开奖结果-新澳门今晚必开一肖-澳门今晚必开一肖一特--新澳门必开一肖一特-澳门马会会传真578866-澳门马会会传真576969-澳门合彩开彩结果查询-澳门合彩开奖结果资料开奖记录的通信协议芯片,和适配器进行协议识别,适用于市面上兼容QC、PD和AFC快充协议的适配器,进而让无线充电器能够支持USB充电器供电,其次无线充采用一颗主控芯片控制驱动MOS管进行输出。下面我们从输入端开始了解各元器件的信息。

USB-C母座特写,过孔焊接。

2025澳门精准开奖结果-新澳门今晚必开一肖-澳门今晚必开一肖一特--新澳门必开一肖一特-澳门马会会传真578866-澳门马会会传真576969-澳门合彩开彩结果查询-澳门合彩开奖结果资料开奖记录LDR6321是一款针对USB PD协议、Quick Charge协议和AFC协议开发的通信芯片,具备USB PD、QC和AFC诱骗功能。比如当输入端连接USB PD、QC或者AFC适配器时,输出端均会输出一个固定的电压,输出较高的电压可以获得较大的功率为其他设备供电。LDR6321受发明专利保护,专利号:201210007717.X(一种自适应供电方法和配电器)。

2025澳门精准开奖结果-新澳门今晚必开一肖-澳门今晚必开一肖一特--新澳门必开一肖一特-澳门马会会传真578866-澳门马会会传真576969-澳门合彩开彩结果查询-澳门合彩开奖结果资料开奖记录LDR6321不仅符合USB Type-C 1.2规范、支持QC,AFC协议识别,最重要的是可以通过给无线充电器配备USB-C接口来实现USB PD协议识别,解决了目前无线快充充电器无法兼容PD适配器的痛点,并可通过引脚配置选择电压,配置灵活支持协议广泛。

ME6239A稳压管,来自微盟,为无线充电主控供电。

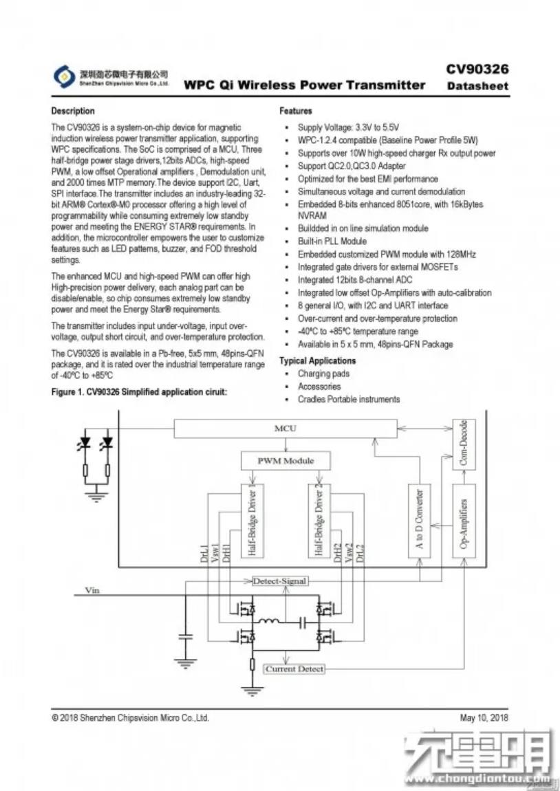
劲芯微CV90326高集成无线充电发射芯片,其集成了MCU,MOS驱动,12位ADCs,高速PWM,低失调运算放大器,解调单元和2000次可重复擦写的NVRAM。该芯片支持I2C,Uart,SPI接口,应用了业界领先的32位ARM®Cortex®-M0处理器,可提供高水平的可编程性,同时消耗极低的待机功耗并满足能源之星ENERGYSTAR®要求。
此外CV90326的微控制器还可使用户能够自定义LED模式,蜂鸣器和FOD阈值设置等功能。增强型MCU和高速PWM可提供高精度的高功率输出,每个模拟部分均可禁用/启用,因此芯片消耗极低的待机功耗并满足EnergyStar®要求。在保护机制方面,其具备输入欠压,输入过压,输出短路和过温保护等保护功能。CV90326采用无铅制程生产,5×5 mm,48针脚-QFN封装,额定工作温度范围为-40ºC至+85ºC

劲芯微CV90326详细资料信息。

旁边是一颗20.000MHz无源晶振,为无线充电主控提供时钟。

两颗丝印HS8S2的双NMOS管,两颗双MOS组成H桥,用于无线充电驱动。MOS管中间的是电流取样电阻。

LED指示灯特写。

ZZEC科雅无线充专用谐振电容,规格为0.4μF 100V,PCB镂空放置电容,降低厚度。

无线充电线圈特写,绕制紧密。

板子中心镂空穿过热敏电阻,用于监控温度。

全部拆解完毕,来张全家福。
充电头网拆解总结
充电头网通过拆解了解到,无线充输入端设有2025澳门精准开奖结果-新澳门今晚必开一肖-澳门今晚必开一肖一特--新澳门必开一肖一特-澳门马会会传真578866-澳门马会会传真576969-澳门合彩开彩结果查询-澳门合彩开奖结果资料开奖记录LDR6321进行PD、QC和AFC等快充协议识别,解决了适配器兼容性这一头等关键问题,使从适配器取电为无线充电器进行供电能够快速流畅的进行。无线充电采用劲芯微CV90326主控芯片控制两颗MOS管进行。此外无线充电线圈绕制紧密,并配有热敏电阻进行温度监控。